LZ1535-5KHz-8ns-10μJ-25mm
脉冲激光测距高重频光源
产品说明书

1、产品简介
LZ1535-5KHz-8ns-10μJ-25mm型脉冲激光测距光源输出人眼安全光谱,结合高可靠散热金属封装,5Khz高重频,可实现10μJ脉冲功率输出,其工作脉冲宽度8ns,光斑直径0.3mm;其主要应用领域为激光测距,激光传感,激光雷达。具备低成本、国产化、长可靠性等优势。
2、产品典型参数
参数 | 符号 | 单位 | 典型数值 |
光学参数(@25°C) |
中心波长 | λ | nm | 1535 |
波长公差 | λ0 | nm | ±15 |
光谱宽度 | △λ | nm | ≦15 |
工作模式 | 脉冲pulsed |
单脉冲能量 | Po | μJ | ≥20μJ |
光斑直径 | L | mm | ≤0.3 |
发散角 | θ | mrad | 12 |
光束指向性 | θ | ° | ≤0.2 |
光束中心与机械出光口 中心偏差 | 水平方向 | mm | ±0.1 |
竖直方向 | mm | ±0.1 |
电学性能(@25°C) |
工作电流 | Iop | A | 5 |
工作电压 | Vop | V | 2 |
脉冲宽度 | t | ns | 8 |
重复频率 | f | Hz | 5K |
热学性能 |
工作温度 | Tc | ºC | -40~70 |
存储温度 | Tstg | ºC | -40~85 |
焊接温度 | Ts | ºC | 260 |
备注:[1] 数据测试温度为25°,环境温度过高工作温度,器件的寿命将会受到影响。
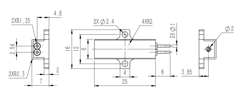
3、外形尺寸(单位:毫米)

图1:外形结构

图2:光谱曲线
5、注意事项
1) 本系列产品为三类激光产品,激光器工作时,避免激光照射眼睛和皮肤。
2) 运输、储存、使用时必须采取防静电措施。
3) 请避免在结露环境中使用和保存。
4) 如果您有任何要求请及时联系我们。