【新品首发】穿透雨雾的“鹰眼” 1535nm高重频5Khz微型激光器 重新定义测距“芯”标准

96
发表时间:2026-01-19 09:19

【新品首发】穿透雨雾的“鹰眼”!
1535nm高重频5Khz微型激光器
重新定义测距“芯”标准

深圳镭尔特光电   |   LZ1535系列深度评测

摘要:5KHz高重频、8ns窄脉冲、1535nm人眼安全波段。镭尔特光电重磅推出LZ1535系列,以±0.1mm极致机械精度全自主国产化优势,赋能高端激光测距与LiDAR应用。

2025125

LZ1535-5KHz-8ns-10μJ-25mm 实物图

前言:光电行业的“视界”革命

随着无人机避障、自动驾驶及手持测距需求的爆发,传统的905nm激光因人眼安全阈值低、雨雾天气衰减大,已逐渐难以满足高端场景需求。

1535nm 波段作为公认的“人眼安全黄金波段”,允许更高的发射功率且具备极强的大气穿透力。深圳镭尔特光电推出的LZ1535微型脉冲激光测距光源,正是为了打破成本壁垒,推动高性能测距普及而生。

01 核心解析:小身材,硬实力

🛡️ 1535nm 人眼安全:穿透雨雾

产品中心波长锁定在1535±15nm。相比905nm,它处于人眼安全范围内,这意味着在满足Class 1安全标准前提下,可以使用更高功率。同时,其在雨、雾、霾等恶劣气象条件下的传输损耗极低,确保全天候作战能力。

⚡ 5KHz 高重频 & 8ns 窄脉冲

  • 5000Hz 重复频率:意味着每秒5000次采样。对于高速运动的无人机或车载雷达,这代表着更密集的点云数据和毫秒级响应。

  • 8ns 超窄脉冲:脉宽越窄,测距精度越高。8ns的优异表现,是实现厘米级精度的物理基石。

🚀 能量越级:实测 Po ≥20μJ

虽标称10μJ,典型工况下实测单脉冲能量≥20μJ。配合≤0.3mm的微小光斑直径和10mrad低发散角,能量密度惊人,确保远距离探测“指哪打哪”。

02 工程体验:省心的“零调校”

对于系统集成商而言,光路校准是最耗时的痛点。LZ1535通过高可靠散热金属封装工艺,解决了这一难题:

🎯 极致机械精度:
光束中心与机械出光口中心偏差 ±0.1mm
光束指向性偏差 ≤0.2°

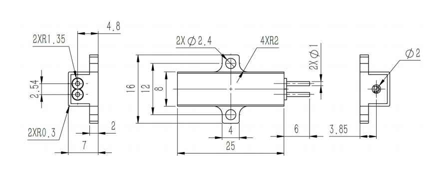
优势:客户在进行整机组装时,几乎无需进行复杂的光路对准,即插即用,大幅降低生产成本。同时,工作电压仅2V,电流5A,25mm的极致长度,轻松嵌入各类手持及无人机载荷。

03 严谨验证:光谱与尺寸

图:窄线宽光谱特性 (Δλ ≤15nm)

图:25mm紧凑型金属封装

04 市场应用:国产替代新选择

镭尔特LZ1535系列通过全自主国产化,打破了国际巨头在1550nm微型光源领域的价格垄断。

🔭 户外测距

狩猎、高尔夫、电力巡检。不增加体积,探测距离突破3-5km。

🚁 无人机载荷

轻量化设计,助力无人机在地势测绘中实现更长续航。

🤖 机器人避障

5KHz高刷新率,敏捷识别动态障碍物。

⚔️ 安防侦察

利用1535nm不可见光特性,实现隐蔽夜视照明。

05 产品典型参数

参数名称典型数值备注
中心波长1535 ±15 nm人眼安全
单脉冲能量≥ 20 μJ强劲输出
脉冲宽度8 ns高精度
重复频率5 KHz高响应
发散角12 mrad小发散角
工作温度-40 ~ 70 ºC宽温适应

* 数据基于25℃环境测试,更多详情请查阅规格书

📝 工程师必读:安全与使用

  • 激光等级:本产品为三类激光产品(Class 1),工作时严禁直射眼睛或皮肤。

  • 防静电(ESD):器件对静电敏感,运输、储存、使用时务必采取防静电措施。

  • 焊接建议:温度建议控制在260ºC以内,避免高温损伤寿命。

  • 环境要求:请避免在结露环境中使用。



分享到:
深圳镭尔特光电科技有限公司
联系邮箱: laser@leirte.com
联系地址:
深圳市宝安区松岗街道沙浦社区洋涌工业区八路2号明卓高新产业园5栋103
联系电话:
王经理  17376858358
访问手机站
关注微信公众号
在线客服系统